NSN 5920-01-433-1048 NIIN 014331048 — Fuseholder Subassembly

NSN
Item Name
Assigned
DEMIL
Shelf Life
UOM
Using Services
NSN:
5920-01-433-1048
5920014331048
Description:
FUSEHOLDER SUBASSEMBLY
NSN Assigned:
21-JUN-96
DEMIL:
NO
Shelf Life:
N/A
UOM:
1 EA
Using Services:
Navy

Price Quote Get an up to date pricing and availability quote for this product. Order online or over the phone.

Part Number:
Quantity Requested:
Your Email:
Full Name:
Contact Phone:
Company:

Quality Commitment

Serving our customers with quality and safety first.

  •   AS9120 Certified
  •   Audited supply chain
  •   ITAR Registered
  •   DDTC Registered
  •   HAZMAT Certified
  •   Customer service objectives
  •   Every product 100% inspected
AS9120 Certified by SAI Global

5920-01-433-1048 Specification Set by the OEM (see RNCC code 3)

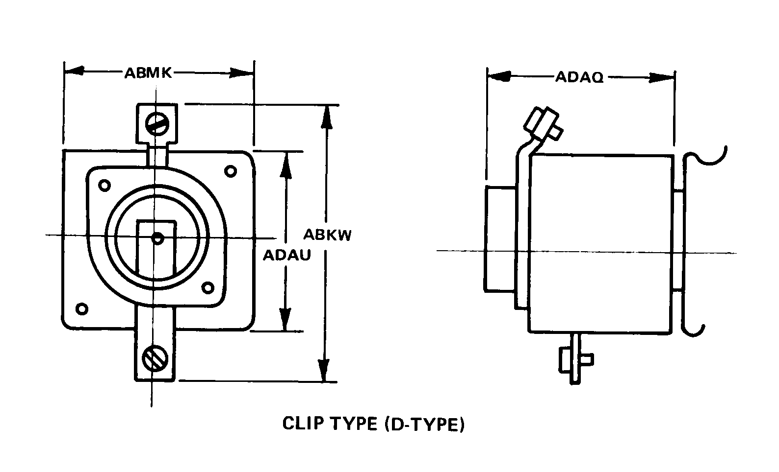
Body Style AAQL:

clip type (D-Type)

Overall Height ABKW:

4.000in.

Overall Width ABMK:

3.290in.

Body Length ADAQ:

3.130in.

Body Height ADAU:

3.060in.

Contact Material AFRG:

aluminum

Fuse Accommodation Quantity AGUE:

3

Accommodated Fuse Length AGUJ:

1.250in.

Accommodated Ferrule Diameter AGUK:

0.250in.

Current Carrying Rating In Amps CQJL:

30.0

Fuse Terminal Type Accommodated CSNM:

ferrule

Voltage In Volts ELEC:

600.0

Cross Reference Parts Part numbers that meet the specification outlined on this page and set by the OEM

Part Number
Cage
RNCC
RNVC
DAC
RNAAC
Status
MSDS
SADC
Part Number:
10990/05A/870 PN F1 - F2 BASE
Cage Code:
SJ648
RNCC:
C
RNVC:
1
DAC:
5
RNAAC:
Status:
A
MSDS:
SADC:
9F
Part Number:
JP60030-3CR 3POLE
Cage Code:
SJ648
RNCC:
C
RNVC:
1
DAC:
5
RNAAC:
Status:
A
MSDS:
SADC:
9F
Part Number:
JP60030-3CR
Cage Code:
71400
RNCC:
3
RNVC:
2
DAC:
E
RNAAC:
ZZ
Status:
A
MSDS:
SADC:
Part Number:
10990/05A/870 PN F1 - F2 BASE
Cage Code:
S9886
RNCC:
5
RNVC:
9
DAC:
5
RNAAC:
ZZ
Status:
A
MSDS:
SADC:
Part Number:
JP60030-3CR 3POLE
Cage Code:
S9886
RNCC:
5
RNVC:
9
DAC:
5
RNAAC:
ZZ
Status:
A
MSDS:
SADC:
Part Number:
JP60030-3CR 3POLE
Cage Code:
71400
RNCC:
5
RNVC:
9
DAC:
5
RNAAC:
ZZ
Status:
A
MSDS:
SADC:

Identification Item Identification Guide (IIG) and Item Name Code (INC)

INC
FIIG
Concept No.
App. Key
Cond. Code
Status
INC:
62213
FIIG:
A014A0
Concept No.:
App. Key:
D
Cond. Code:
1
Status:
A
BODY STYLE CLIP TYPE (D-TYPE) style nsn 5920-01-433-1048

Definition Definition of approved item name (AIN): "FUSEHOLDER SUBASSEMBLY"

The components of a fuseholder which together form the carrier to hold a fuse in position to provide electrical contact, but which in itself is not a complete functioning item and cannot be assigned a more definite item name.

Packaging & Dimensions Packaging instructions, special markings, and approx. weight/dims

Pack Size
Pack Weight
Item Weight
Item Dim.
Pack Size:
--
Paclk Weight:
0.0000lbs
Item Weight:
--
Item Dim:
--
Container
OPI
SPI No.
SPI Rev.
SPC Mkg.
LVL A
LVL B
LVL C
Container:
--
OPI:
O
SPI No.:
SPI Rev.:
SPC Mkg:
00
LVL_A:
Q
LVL_B:
Q
LVL_C:
LVL A Code (LVL_A) Q

Packing shall be accomplished in accordance with table c.ii for the packing level specified. closure, sealing and reinforcement shall be in accordance with applicable specification for shipping container.

LVL B Code (LVL_B) Q

Packing shall be accomplished in accordance with table c.ii for the packing level specified. closure, sealing and reinforcement shall be in accordance with the appropriate shipping container specification.

Procedure Indicator Code (OPI) O

Options can be exercised as to specific method of preservation or dod approved packaging materials to be used. however, basic preservation method shall be retained, supplemental data shall be complied with, and unit package dimensions shall not be increased by more than one inch. equal or better protection shall be given the item and there shall be no increase in the package cost.

Special Markings Code (SPC_MKG) 00

No special marking.

  Packaging Codes

OPI: Optional Procedure Indicator Code. A one position alpha code that indicates the allowable deviations from the prescribed requirements.

SPI No.: Special packaging instructions number.

LVL A/B/C: Indicates the type of shipping container required for level A, B, or C maximum packing protection.

SPC Mkg: A two position code that identifies the special markings applied to the container, which is part of the total pack to protect the contained item during preservation, packing, storage, transit and removal from the pack.

5920-01-433-1048 Material Hazmat, Precious Metals, Criticality, Enviroment, and ESD

HMIC
PMIC
ESD
ENAC
ADPE
CRITL
HMIC:
P
PMIC:
A
ESD:
A
ESD:
A
ADPE:
0
CRITL:
X
Hazmat (HMIC) P

Indicates there is no information in the hmirs. The nsn is in a fsc in table ii of fed std 313 and a msds may be required by the user. The requirement for a msds is dependent on a hazard determination of the supplier or the intended end use of item.

Precious Metals (PMIC) A

Item does not contain precious metal.

Electrostatic Discharge (ESD) A

No known electrostatic discharge (esd) or electromagnetic interference (emi) sensitivity.

ADPE 0

Represents items with no adp components

Criticality X

The item does not have a nuclear hardened feature or any other critical feature such as tolerance, fit restriction or application.

  Identification Codes

HMIC: Hazardous Material Indicator Code. A one position code that identifies a hazardous item.

PMIC: Precious Metal Indicator Code. A one position code which identifies items that have precious metals as part of their content. precious metals are those metals generally considered to be uncommon, highly valuable, and relatively superior in certain properties such as resistance to corrosion and electrical conductivity.

ESD: Electrostatic Discharge. Indicates if an item is susceptible to electrostatic discharge or electromagnetic interference damage. electrostatic discharge damage occurs when an accumulation of static electricity generated by the relative motion or separation of materials is released to another item by direct contact. electromagnetic interference damage occurs when an item comes into proximity with an electrostatic or magnetic field.

ENAC: Enviromental Attribute Code. Identifies items with environmentally preferred characteristics.

CRITL: Criticality Indicator Code. Indicates an item is technically critical by tolerance, fit, application, nuclear hardness properties, or other characteristics.